鋁型材配件
Product accessories
Product accessories
聯系APAS / Contact us
- 地址:天津市西青經濟技術開發區賽達國際工業城A3-2.
- 郵箱:lxc@apas.com.cn
- 電話:022-87920088
- 傳真:請聯系網絡管理員
- 郵編:300385
- 咨詢熱線:13702119190(24小時服務熱線)
鋁型材門窗配件 / Industrial Closure
產品名稱 / Name
可拆卸合頁
產品描述 / Describe
可拆卸合頁是一種用于工業鋁型材閉合/開關活動連接配件,主要用于鋁型材框架產品(門、窗、維護/檢修通道)的開關功能的實現;
022-87920088
可以根據需求進行設計加工,提供上門安裝服務;可以根據特殊需求進行鋁型材開模定制。
* 免費提供工業鋁型材選型手冊 →點擊咨詢
|
|
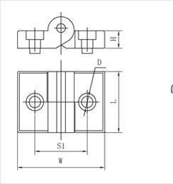
| 可拆裝合頁主要用于6063-T5系列3030、4040規格工業鋁型材之間或型材與板材之間的活動連接,用于鋁型材框架閉合功能的實現,通常用于框架門、窗以及維修維護窗口等結構的設計,也可以靈活應用于其他部位; |
![]() ![]()
|
|
(可拆裝合頁技術參數-安裝示意圖)
|
|
型材規格
|
W(mm)
|
L(mm)
|
S1(mm)
|
D(mm)
|
H(mm)
|
材質
|
訂貨編號
|
|
30×30
|
48
|
32
|
30
|
φ6.5
|
10
|
增強尼龍
|
CE-H3030-8-CX
|
|
40×40
|
63
|
32
|
40
|
φ6.5
|
10
|
增強尼龍
|
CE-H4040-8-CX
|
|
可拆裝合頁是一種較為靈活的閉合型連接件,可以實現框架機構閉合功能,同時還可以靈活的拆卸,可以根據其產品性能進行靈活的應用;可拆裝合頁屬于標準配件產品,具有固定的技術參數,選型時請嚴格參照其技術參數,以保證其性能為穩定性; |
聯系APAS/ Contact us
天津艾普斯工業鋁型材股份有限公司
聯系電話:022-87920088
企業傳真:(避免惡意廣告)請聯系該企業網絡管理員
服務熱線:13702119190 (24小時服務熱線)
Q Q:534973906
企業郵箱: lxc@apas.com.cn
企業地址:天津市西青經濟技術開發區賽達國際工業城A3-2
聯系電話:022-87920088
企業傳真:(避免惡意廣告)請聯系該企業網絡管理員
服務熱線:13702119190 (24小時服務熱線)
Q Q:534973906
企業郵箱: lxc@apas.com.cn
企業地址:天津市西青經濟技術開發區賽達國際工業城A3-2
采購意向留言:* 為必填















QQ咨詢
電話聯系
聯系電話

在線留言
樣冊下載
